Hardware • Firmware • Funk/HF • Testsysteme
Elektronik- & Firmware-Entwicklung in Salzburg
Von der ersten Idee bis zum serienreifen Produkt: Schaltung & Layout, EMV/HF-Design, Mikrocontroller-Firmware (FreeRTOS/Zephyr/RIOT) und praxistaugliche Test-Tools.
Leistungen
Fokus auf robuste, wartbare Lösungen – mit sauberer Dokumentation und klaren Übergaben in Prototyping und Serie.
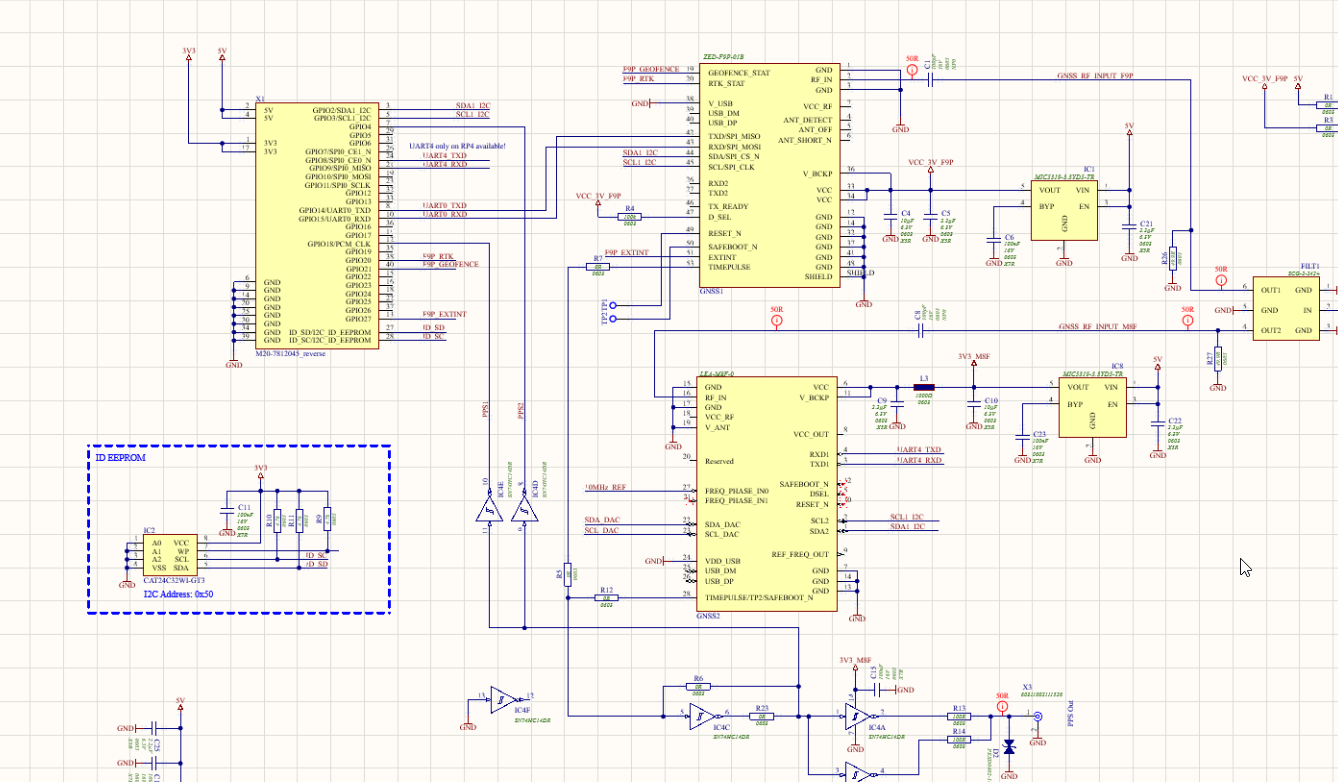
Hardware
Schaltplan, Layout, EMV/DFM – mit Schwerpunkt Funk/HF.
Mehr erfahren →
Firmware
STM32/ESP32, Treiber, RTOS, Bootloader & Updates.
Mehr erfahren →
Software & Test
Tools, Prüfstände, Automatisierung und Datenanalyse.
Mehr erfahren →
IT-Technik
Systembetreuung vor Ort sowie Hosting, Internet & VoIP.
Mehr erfahren →
Schnell zum Ergebnis
Klarer Projektstart, saubere Abnahme, nachvollziehbare Dokumentation – damit Entwicklung und Serie planbar bleiben.